In this guide, I’ll show you how to build a dual +5V -5V power supply from a standard USB outlet.

Dual power supplies with a negative output taken from the positive output can be a little tricky. It’s not a matter of difficulty, but about the low availability of support for easier ways to do this kind of power supply.
So I’ll show you one of the easiest ways to make a dual power supply (also known as bipolar power supply) using a simple USB connection.
It is fair to mention, that this will be for low-power projects since the IC used for this is not capable of outputting much power.
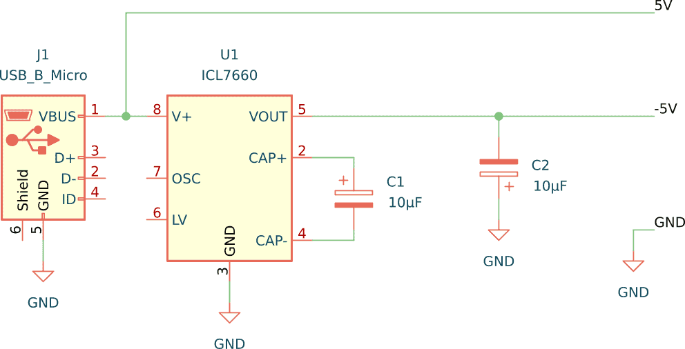
Dual 5V Power Supply Circuit

Components Needed
- ICL7660
- USB connector (Such as this from Digikey)
- 2 x 10 µF Capacitor
- Perfboard or stripboard
- Cables
These are standard components you can find at most electronics shops. For the USB connector, it can be a good idea to buy a breakout board. Those are much easier to solder.
How It Works
The design is very simple. It’s based around the ICL766, which is a switched converter chip that only needs two capacitors; one placed between two pins of the chip and another one placed in the negative output of the IC.
The positive 5V will come directly from the micro USB (or USB) connection, from which you’ll only use the power cables since no data is going to be used. Note that the output capacitor is connected with the positive to GND and the negative to the output (since GND is the most positive of the two).
Building the Circuit
This circuit can be tested through a breadboard without any issue. But to have a practical circuit to use for future projects, it’s better to solder it to a perfboard or stripboard. This can also improve the performance of the output.
10 Simple Steps to Learn Electronics
Electronics is easy when you know what to focus on and what to ignore. Learn what "the basics" really is and how to learn it fast.
Step 1: Design a Diagram
The first thing you want to do is design a diagram for how to connect everything on the stripboard. Use the schematic above to see all the connections. Here’s the board I designed:

If you use a different USB connector or type of board you will probably have to do some changes to the above design to make it fit.
It’s smart to take some time and do this step properly before you start soldering. Then you’ll avoid the hassle of desoldering and fixing errors later on.
Step 2: Place and Solder the Components
Place and solder each component in the places that you planned in the previous step:


Step 3: Make the Connections
Next, make all the missing connections with solder blobs between pads (like I did below) or use wires. It’s a good habit to check the continuity with any adjacent points to avoid any possible unwanted connection.

Step 4: Test the Board
The board is ready to be used with 5V, -5V, and GND outputs from top to bottom. Use a multimeter to check that you’re getting these voltages.

The Result
For this prototype, the performance was expected to be a bit worse than what the datasheet showed. To check, I did a series of tests using different resistors as loads for the negative output of the IC. The results are shown below:
| Resistance (Ohm) | Voltage (V) | Current (mA) | Voltage Conversion Efficiency |
| 1000000 | -5.04 | 0.004 | 1 |
| 100000 | -5.04 | 0.033 | 1 |
| 10000 | -5.02 | 0.5 | 0.996031746 |
| 5100 | -4.98 | 0.966 | 0.9880952381 |
| 2000 | -4.85 | 2.42 | 0.9623015873 |
| 1660 | -4.81 | 2.9 | 0.9543650794 |
| 1440 | -4.78 | 3.31 | 0.9484126984 |
| 1220 | -4.73 | 3.87 | 0.9384920635 |
| 1000 | -4.66 | 4.64 | 0.9246031746 |
| 880 | -4.62 | 5.2 | 0.9166666667 |
| 660 | -4.49 | 6.76 | 0.8908730159 |
| 440 | -4.24 | 9.51 | 0.8412698413 |
| 330 | -3.97 | 11.73 | 0.7876984127 |
| 220 | -3.6 | 15.69 | 0.7142857143 |
| 100 | -2.58 | 25.6 | 0.5119047619 |
| 80 | -2.56 | 28 | 0.5079365079 |
| 60 | -2.1 | 30.8 | 0.4166666667 |
| 40 | -1.49 | 35.3 | 0.2956349206 |
| 20 | -0.93 | 39.9 | 0.1845238095 |
| 10 | -0.39 | 40.4 | 0.07738095238 |

The results for this prototype show that the voltage conversion efficiency is relatively high until the IC starts supplying around 10mA.
So as you try to pull out more current, your negative output will move towards 0V, while the positive output stays at 5V.
But this is not an issue for most op-amp circuits, since this will only limit the maximum negative range of the output of the op-amp. So you can still use a diminished negative voltage as long you don’t need it so low.
If you plan on building this, I recommend you test your IC design with different resistors before putting it to use, so that you know how much current you can get from it while still maintaining the negative voltage you need.
More Power Supplies Tutorials
Get Our Basic Electronic Components Guide
Learn how the basic electronic components work so that circuit diagrams will start making sense to you.