The diode bridge rectifier is a simple circuit used to convert alternating current (AC) into direct current (DC). In this guide, you’ll learn how it works, what it’s used for, and how you can build your own.

Even though you may not notice it, the diode bridge rectifier is everywhere. It’s used for transforming the AC voltage from your wall outlet into a DC voltage that your devices can use.
So when you charge your phone or laptop, or you turn on the TV, there’s often a diode bridge working its magic in the back.
Suggested reading: AC vs DC: The difference between alternating and direct current
The Rectifier Diode
The diode bridge rectifier circuit is a very simple circuit made up of just four rectifier diodes connected in a square shape. A diode allows current to flow in one direction only (from the anode and to the cathode), which makes it perfect for converting from AC to DC.

Below you can see how an AC voltage waveform is converted when connected through a diode. An AC signal alternates between positive and negative values. When this AC signal passes through the diode only the positive half-cycle remains.

The circuit above is also known as a Half-Wave Rectifier, and it is a crucial concept to grasp before diving into the Diode Bridge, which is a Full-Wave Rectifier.
The Diode Bridge Rectifier Circuit Diagram
The diode bridge consists of four diodes that are connected together in a square:
Get Our Basic Electronic Components Guide
Learn how the basic electronic components work so that circuit diagrams will start making sense to you.

You can see how D1 and D4 share the same cathode, while D2 and D3 are connected by the anode. These two points make up the output.
You can also see that the cathode of D3 is attached to the anode of D1, and the cathode of D2 is connected to the anode of D4. These two points make up the input.
When you apply an AC input to this circuit, you get a rectified output as shown below:

The half-wave rectifier from the previous section used only the positive half-cycles, and the negative half-cycles were wasted.
The four diodes connected as a bridge rectifier solve this issue by letting the positive half-cycles flow while the negative half-cycles are converted into positives. Thereby making use of the entire AC waveform.
How it works: Current flow during the positive half-cycle
During the positive half-cycle of the power supply, diodes D1 and D2 can conduct, while diodes D3 and D4 cannot because they are reverse-biased. With this arrangement, the positive half-cycle gives you a current that flows through the circuit, like so:

How it works: Current flow during the negative half-cycle
During the negative half-cycle, diodes D3 and D4 conduct, while diodes D1 and D2 do not. Even though the circuit now receives the negative half-cycle, you can see in the picture below how the current flows through the load (output) in the same direction as before. That’s how this circuit turns the negative half-cycles into positives.

Pre-built Diode Bridge Modules
Although the diode bridge uses just four diodes, sometimes it can be tedious to build one every time you want to rectify an AC signal. Fortunately, there are pre-built diode bridge modules ready to use that already incorporate the necessary diodes and circuit configuration for efficient AC-to-DC conversion.
Here you have some examples of diode bridge modules with different packings:

Pre-built modules ensure consistent performance, are compact in size, and simplify integration. When using one of these modules, you only have to make sure it can safely handle the AC voltage and current you want.
Diode Bridge vs Center-Tapped Bridge Rectifier
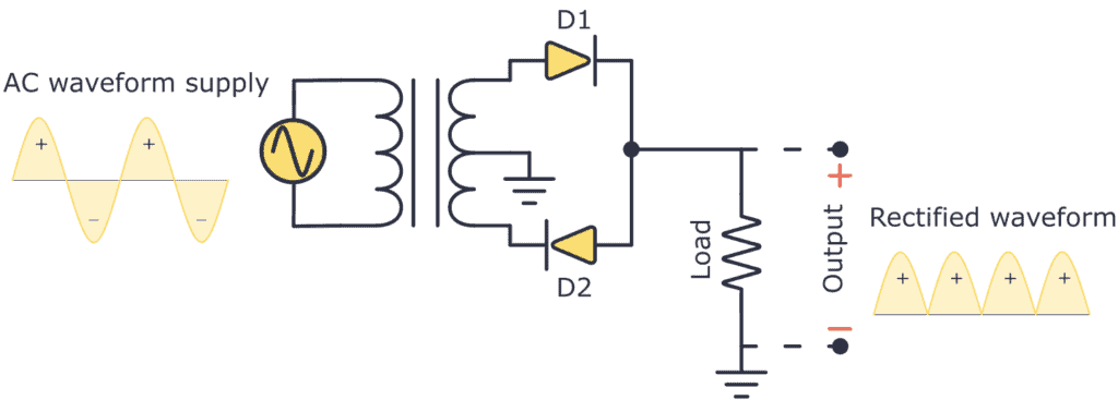
The diode bridge is not the only Full-Wave rectifier, there exists another common circuit called a Center-Tapped Bridge. It allows the positive half-cycles of an AC signal to flow and also converts the negative half-cycles into positives.
As you can see below, the center-tapped rectifiers use only two diodes and a center-tapped transformer to achieve full-wave rectification.

Compared to diode bridges, the center-tapped bridge exhibits lower efficiency, limited voltage ratings, increased component count, larger size, higher cost, and reduced flexibility due to its specific configuration.
Bridge Rectifier Example Applications
The most common application of the diode bridge rectifier is in DC power supplies. Here’s an example of a 5V DC linear power supply circuit:

If you’re interested in building this circuit, check out the simplest power supply circuit project.
Questions
Do you have any questions or any feedback you want to share? Let me know in the comment field below!
More Diodes Tutorials
Get Our Basic Electronic Components Guide
Learn how the basic electronic components work so that circuit diagrams will start making sense to you.