The 74×136 (ex 74HC136) is a chip with four XOR gates that have open-collector outputs. This type of output makes it easy to connect to chips that use different logic levels. But you won’t be able to use this chip as a direct replacement for a standard XOR gate chip.
In this guide, you will learn all about this chip and how you can use its XOR gates in your own circuit.

What does the 74HC136 / 74LS136 do?
The 74×136 gives you four open-collector XOR gates that can be used individually. An XOR gate is a logic gate that outputs 1 (HIGH) if its inputs are not equal (one input 1 and the other one 0). In the truth table below, you can see what the output will be for any given input:

How To Use This Chip
The 74HC136 comes in a 14-pin package, and you need to connect it to power before you can use it. Most 7400 ICs support a VCC voltage of 5V. One difference between the HC and LS version of the chip is that the 74HC136 supports 2V to 6V, while the 74LS136 only supports 5V.
Once it’s connected, you can use any of the XOR gates inside.

This chip uses open-collector outputs which means you can only sink current, not source it (current can go into the chip, but not out from the chip).
Each gate output of the 74HC136 can sink about 4 mA when powered with 5V. While the 74LS136 can usually sink about 8 mA of current. These values can vary between manufacturers of the chip though.
How To Use Open-Collector Outputs
The outputs from the 74HC136 are not your normal high/low outputs. Instead, they use something called open-collector. Open-collector outputs are outputs that are connected via a transistor. And the collector of the transistor is available at the pin. For an XOR gate, it will look like this:
Get the 555 Timer Cheatsheet
A super helpful reference that makes it easy to design circuits, so that you can build oscillators, timer circuits, and more in no time.

So when the output from the XOR gate is ‘1’, it turns on the transistor that is connected to the output. When the output from the XOR gate is ‘0’, it means the transistor will be off.
To turn on an LED when the XOR gate output is ‘1’, you must connect the LED from your positive supply, via a resistor, to the open-collector output:

If you instead want to get your standard high/low output, you can get this by connecting a resistor from the output up to your positive supply. Then your XOR gate output pin becomes a standard high/low output.
The advantage of using open-collector outputs is that you can choose your HIGH voltage level to make it compatible with whatever the voltage is of the next stage. The resistor acts as a pull-up resistor and makes the HIGH level approximately the same as the VCC voltage that you provide.

It’s important to notice that the output will be inverted: A logical HIGH from the XOR gate turns the transistor ON so that the output voltage on the pin becomes low. A logical LOW leaves the transistor OFF so that the output voltage on the pin becomes HIGH.
74×136 Pinout
The 74×136 has 14 pins and contains four open-collector XOR gates laid out as shown in the pinout diagram below. Each gate has the open-collector symbol, to remind you of the type of output:

| Pin # | Type | Description |
|---|---|---|
| 1 | Input | Input to the first XOR gate. |
| 2 | Input | Input to the first XOR gate. |
| 3 | Output | Open-collector output from the first XOR gate. |
| 4 | Input | Input to the second XOR gate. |
| 5 | Input | Input to the second XOR gate. |
| 6 | Output | Open-collector output from the second XOR gate. |
| 7 | Power | Connect to ground (GND). |
| 8 | Output | Open-collector output from the third XOR gate. |
| 9 | Input | Input to the third XOR gate. |
| 10 | Input | Input to the third XOR gate. |
| 11 | Output | Open-collector output from the fourth XOR gate. |
| 12 | Input | Input to the fourth XOR gate. |
| 13 | Input | Input to the fourth XOR gate. |
| 14 | Power | Positive power supply (VCC). Connect to +5V power. |
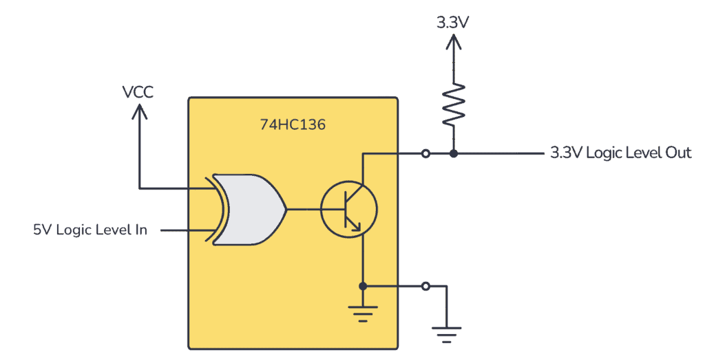
74HC136 Circuit Example: Level-shifter
Here’s a simple project you can build with the XOR gates in the 74HC136 IC: A level-shifter.
The circuit shows you how to build a 5V to 3.3V level shifter from one of the XOR gates in the 74HC136 IC. You can use it, for example, to connect an Arduino (which has 5V outputs) to an ESP32 microcontroller that only supports 3.3V inputs:

To build this circuit, you’ll need the following parts:
- 1 x 74HC136
- 1 x 10 kΩ resistor
Alternatives and Equivalents for 74HC136 / 74LS136
There are many versions of the 74×136 chip. They all have the same functionality, but with different specifications such as supported voltages and maximum current output.
Here’s a list of a few equivalents of this chip:
- 74HC136 (High-speed CMOS)
- 74HCT136 (High-speed CMOS, TTL compatible)
- 74LS136 (High-speed TTL)
- 74LVC136 (Low Voltage TTL)
- 74AC136 (Advanced CMOS)
- 74ALS136 (Advanced Low-Power Schottky TTL)
- 74F136 (Very High Speed)
- 74C136 (CMOS, similar to the 4000-series)
Some manufacturers also add a prefix, such as the SN74HC136 and SN74LS136 by Texas Instruments.
Can’t find the 74×136 anywhere? Then try one of the following IC alternatives:
- 74×86 – Quad 2-input XOR gates.
- CD4030 – Quad 2-input open-collector XOR gates.
- CD4070 – Quad 2-input open-collector XOR gates.
If you can’t find the 74×136 IC in your local electronics store, don’t worry, you’ll most likely find it in one of the stores listed on this page of online stores where you’ll find components and tools for all your electronics projects.
Datasheet for the 74×136 Chip
Download the PDF datasheet for your version of the 74×136 here:
Get the 555 Timer Cheatsheet
A super helpful reference that makes it easy to design circuits, so that you can build oscillators, timer circuits, and more in no time.
