The blinking LED circuit is like the electronics version of the “Hello World”-program. It’s a simple electronic circuit that gives you a visual cue if it works. It was the first circuit I ever built, and it felt GREAT!
The goal is to make a Light Emitting Diode (LED) blink.

Three Different Ways To Build A Blinking LED Circuit
There are several ways of making a blinking LED circuit. You can make one using relays. You can make one using transistors. Or you can make one using components like logic gates, a 555 Timer, or a microcontroller.
I’m going to show you three ways to build a blinking LED circuit using:
- A relay
- Transistors
- A NOT gate (a logic NOT-gate)
Blinking an LED Using Relays
The easiest way to get a light to blink (or at least the easiest to understand) is the following:

In the above circuit, you see a battery, a relay (in the red square), and a light bulb. To understand the circuit you need to understand how a relay works.
When the relay coil has power, the switch will disconnect the power from the electromagnet and connect the power to the light bulb instead so that it will light up.
But when the relay no longer has power, it will switch back and turn off the power from the light bulb and give power back to the electromagnet again.
Get Our Basic Electronic Components Guide
Learn how the basic electronic components work so that circuit diagrams will start making sense to you.
Then the cycle starts over.
The problem with the circuit above is that it will switch so fast that you won’t actually see the light blink.
To solve this problem you can introduce a time-delay using a resistor and a capacitor.

When you apply power to the above circuit, the battery starts charging the capacitor through resistor R2.
After a moment, the relay coil pulls the relay into the other position.
This makes the LED turn ON.
Because the capacitor now is charged, it will hold the relay in this position. But the capacitor only has enough energy to keep the electromagnet in the relay powered for a little bit before it’s empty (or discharged).
When the capacitor is out of energy, the relay goes back into its original state and turns the LED OFF again.
Then the cycle repeats itself.
For this circuit with the above component values, I recommend the DS2Y-S-DC5V relay or a similar one. Here’s how you can connect it on a breadboard:

Blinking Two LEDs Using Transistors
The circuit for blinking an LED using transistors is called an Astable Multivibrator.

To understand this circuit you need to know how voltages and currents behave around resistors, capacitors, and diodes (which is something you can learn in Ohmify).
Here’s an overview of what happens:
The two capacitors C1 and C2 will alternate between being charged and discharged and thereby turning the transistors ON and OFF. When a transistor is ON it allows current to flow through it so that the LED above it will light up.
If you want to dive into the details, check out my article How Astable Multivibrator Circuits Work.
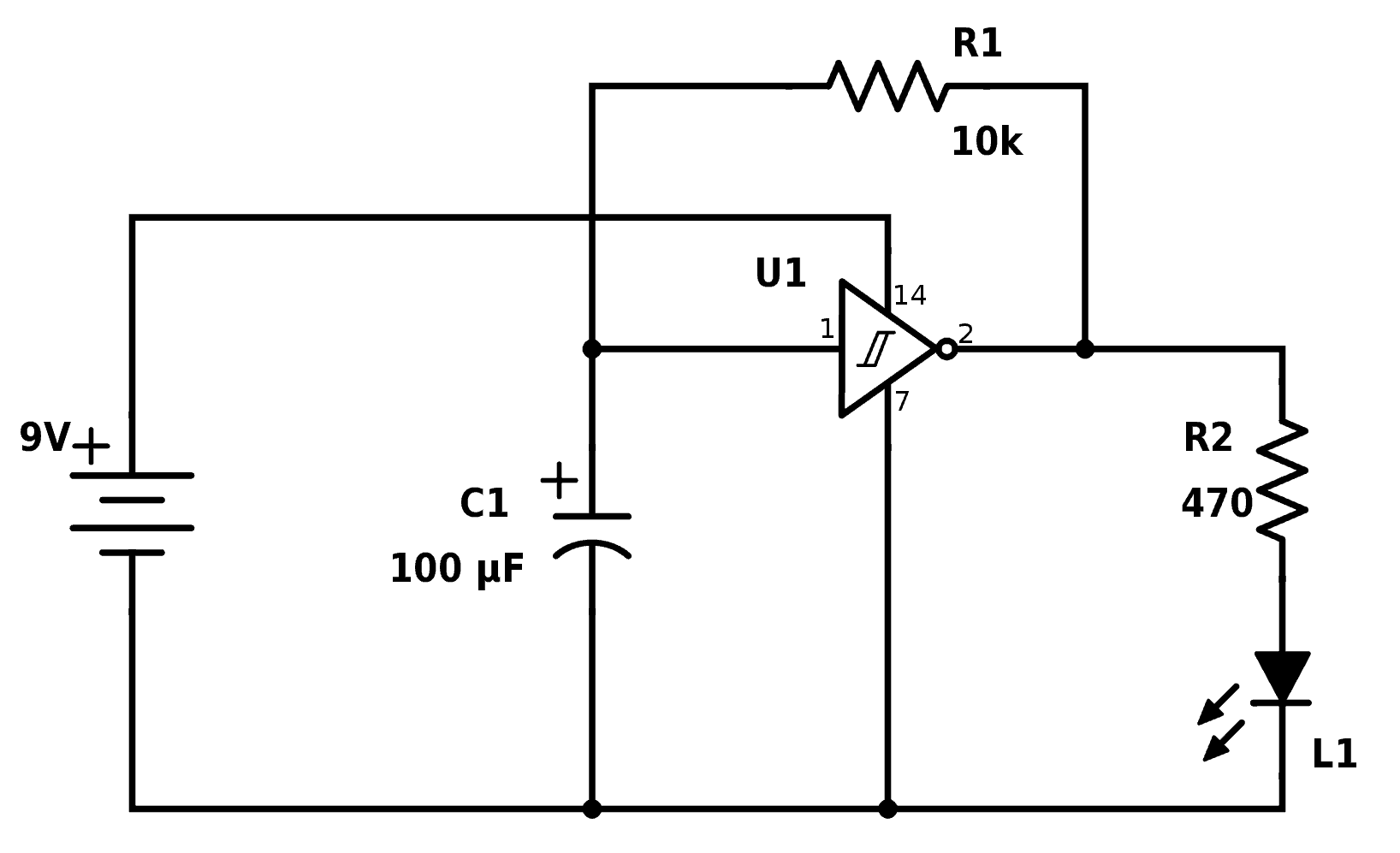
How To Blink An LED With An Inverter
This is probably the easiest blinking LED circuit when it comes to the number of components: You only need three components for the blinking part!
But you need the resistor and LED to be blinked too of course.

This circuit is from my Free Email Course on how to make a light blink.
I designed the circuit around an inverter.
Also called a NOT-gate.
An inverter is a logical component that outputs the opposite of what it gets in. If it gets a high voltage in, it gives a low voltage out. And vice versa.
A high voltage is a voltage close to the supply voltage. A low voltage is a voltage close to zero volts.
In the circuit diagram, you can see that the output of the inverter (U1) is connected back to the input with a resistor. This means that if there’s a high voltage on the input, the output will be low. But since the output is connected back to the input, the input will be low. Now that the input is low, the output will be high. That means the input will be high again, and so on…
So it will keep jumping between high and low.
To slow down the jumping back and forth, I used a capacitor on the input of the inverter. The resistor R1 controls how much current that goes back to charge the capacitor on the input. The size of the resistor R1 and the capacitor C1 will, therefore, determine the blinking speed.
The inverter I used is a Schmitt Trigger Inverter. Schmitt Trigger just means that the threshold for switching from high to low is different from the threshold for switching from low to high.
Check out the complete build instructions here.
Start Building
Now, you’ve read about ’em. It’s time to start building! Find the parts you need at one of the online shops, order them, and build.
You might also be interested in Ohmify:
Ohmify is an online academy for people with little or no electronics understanding who want to be able to confidently create electronic gadgets and tools – and who are prepared to take action to make it happen.
Click here to learn more about Ohmify.
Did You Build Them?
Have you built a blinking LED circuit from this article?
How did it go?
Let me know in the comment field below.
More Light-Emitting Diodes (LED) Tutorials
Get Our Basic Electronic Components Guide
Learn how the basic electronic components work so that circuit diagrams will start making sense to you.
