The 74×266 (ex 74HC266) is a chip with four open-collector XNOR gates. Open-collector outputs make it simple to connect to other chips that use different logic levels. But it also means you can’t use this chip as a direct replacement for a normal XNOR gate chip.
In this guide, you will learn all about this chip and how you can use its XNOR gates in your own circuit.

What does the 74HC266 / 74LS266 do?
The 74×266 gives you four open-collector XNOR gates that can be used individually. An XNOR gate is a logic gate that outputs 1 (HIGH) if its inputs are equal (both 1 or both 0). In the truth table below, you can see what the output will be for any given input:

How To Use This Chip
The 74HC266 comes in a 14-pin package, and you need to connect it to power before you can use it. Most 7400 ICs support a VCC voltage of 5V. One difference between the HC and LS version of the chip is that the 74HC266 supports 2V to 6V, while the 74LS266 only supports 5V.
Once it’s connected, you can use any of the four open-collector XNOR gates inside.

This chip uses open-collector outputs. That means you can only sink current (current can flow into the chip), not source it (current cannot flow out of the chip).
Each gate output of the 74HC266 can sink about 4 mA when powered with 5V. While the 74LS266 can usually sink about 8 mA of current. These values can vary between manufacturers of the chip though.
How To Use Open-Collector Outputs
The outputs from the 74HC266 are not your normal high/low outputs. Instead, they use something called open-collector. Open-collector outputs are outputs that are connected via a transistor. And the collector of the transistor is available at the pin. For an XNOR gate, it will look like this:
Get the 555 Timer Cheatsheet
A super helpful reference that makes it easy to design circuits, so that you can build oscillators, timer circuits, and more in no time.

So when the output from the XNOR gate is ‘1’, it turns on the transistor that is connected to the output. When the output from the XNOR gate is ‘0’, it means the transistor will be off.
To turn on an LED when the XNOR gate output is ‘1’, you must connect the LED from your positive supply, via a resistor, to the open-collector output:

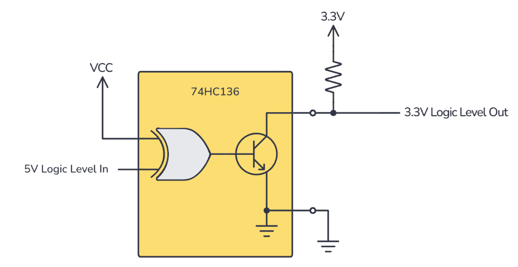
If you instead want to get your standard high/low output, you can get this by connecting a resistor from the output up to your positive supply. Then your XNOR gate output pin becomes a standard high/low output.
The advantage of using open-collector outputs is that you can choose your HIGH voltage level to make it compatible with whatever the voltage is of the next stage. The resistor acts as a pull-up resistor and makes the HIGH level approximately the same as the VCC voltage that you provide.

It’s important to notice that the output will be inverted: A logical HIGH from the XNOR gate turns the transistor ON so that the output voltage on the pin becomes low. A logical LOW leaves the transistor OFF so that the output voltage on the pin becomes HIGH.
74×266 Pinout
The 74×266 has 14 pins and contains four open-collector XNOR gates laid out as shown in the pinout diagram below. Each gate has the open-collector symbol, to remind you of the type of output:

| Pin # | Type | Description |
|---|---|---|
| 1 | Input | Input to the first XNOR gate. |
| 2 | Input | Input to the first XNOR gate. |
| 3 | Output | Open-collector output from the first XNOR gate. |
| 4 | Output | Open-collector output from the second XNOR gate. |
| 5 | Input | Input to the second XNOR gate. |
| 6 | Input | Input to the second XNOR gate. |
| 7 | Power | Connect to ground (GND). |
| 8 | Input | Input to the third XNOR gate. |
| 9 | Input | Input to the third XNOR gate. |
| 10 | Output | Open-collector output from the third XNOR gate. |
| 11 | Output | Open-collector output from the fourth XNOR gate. |
| 12 | Input | Input to the fourth XNOR gate. |
| 13 | Input | Input to the fourth XNOR gate. |
| 14 | Power | Positive power supply (VCC). Connect to +5V power. |
74HC266 Circuit Example
Here’s a simple project you can build with the XNOR gates in the 74HC266 IC.
To build this circuit, you’ll need the following parts:
- 1 x 74HC266
- 1 x 10 kΩ resistor
Alternatives and Equivalents for 74HC266 / 74LS266
There are many versions of the 74×266 chip. They all have the same functionality, but with different specifications such as supported voltages and maximum current output.
Here’s a list of a few equivalents of this chip:
- 74HC266 (High-speed CMOS)
- 74HCT266 (High-speed CMOS, TTL compatible)
- 74LS266 (High-speed TTL)
- 74LVC266 (Low Voltage TTL)
- 74AC266 (Advanced CMOS)
- 74ALS266 (Advanced Low-Power Schottky TTL)
- 74F266 (Very High Speed)
- 74C266 (CMOS, similar to the 4000-series)
Some manufacturers also add a prefix, such as the SN74HC266 and SN74LS266 by Texas Instruments.
Can’t find the 74×266 anywhere? Then try one of the following IC alternatives:
- 74×7266 – Quad 2-input XNOR gates.
- 74×810 – Quad 2-input XNOR gates.
- 74×811 – Quad 2-input open-collector XNOR gates.
- CD4077 – Quad 2-input XNOR gates.
If you can’t find the 74LS266 or 74HC266 IC in your local electronics store, don’t worry, you’ll most likely find it in one of the stores listed on this page of online stores where you’ll find components and tools for all your electronics projects.
Datasheet for the 74LS266 and 74HC266 chips
Download the PDF datasheet for your version of the 74×266 here:
Build Something Useful This Evening
This gadget lets you use any IR remote-control to control your lamp, garden lights, heater oven, garage door, or anything else.

