
The CD4071 is a CMOS chip with four OR gates. Each OR gate has two inputs, and there are four gates integrated on the chip. It’s often called a Quad 2-Input OR Gate.
An OR gate is a logic gate that gives a HIGH output if any of the inputs are HIGH. Otherwise, the output is LOW.
Pin Overview
| Pin Name | Pin # | Type | Description |
|---|---|---|---|
| VDD | 14 | Power | Supply Voltage (+3 to +15V) |
| GND | 7 | Power | Ground (0V) |
| A1 to A4 | 1, 5, 8, 12 | Input | Inputs A of the four OR gates |
| B1 to B4 | 2, 6, 9, 13 | Input | Inputs B of the four OR gates |
| Q1 to Q4 | 3, 4, 10, 11 | Output | Outputs from the four OR gates |
What is an OR gate?
An OR gate is among the primary logic gates in the world of electronics. It gives a HIGH output if any of the inputs are HIGH, otherwise LOW.
An OR gate can have two or more inputs. Check the truth table below to see the result for any given input.

| Input A | Input B | Output Q |
|---|---|---|
| 0 | 0 | 0 |
| 1 | 0 | 1 |
| 0 | 1 | 1 |
| 1 | 1 | 1 |
How To Use the CD4071
To be able to use any of the OR gates in the chip, you must first connect the VDD pin and GND pin to the power supply. You’ll need a power supply voltage of anywhere from 3V to 15V.
Some versions of the chip support up to 20V. Check the datasheet of your version of the chip for exact values.
The A and B pins are the inputs to the four OR gates in the IC. What you input here decides the output.
The Q pins are the outputs from the OR gates.
Build Something Useful This Evening
This gadget lets you use any IR remote-control to control your lamp, garden lights, heater oven, garage door, or anything else.
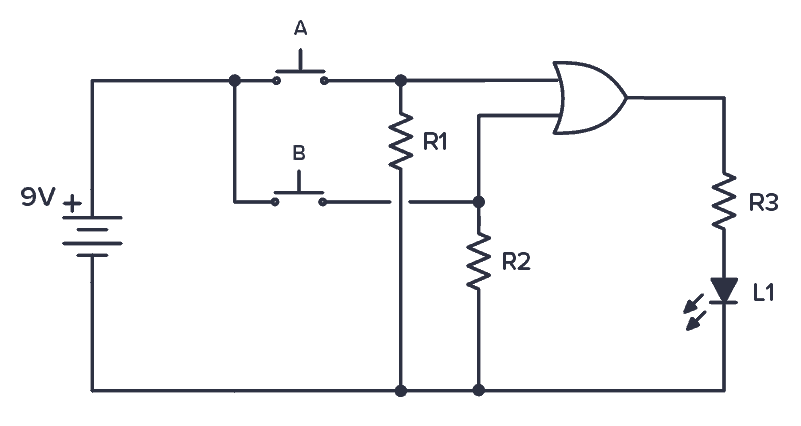
CD4071 Example Circuit
Here is a simple practical example you can try on your own to understand the operation of the 4071 IC. The circuit demonstrates the basic operation of an OR gate. The inputs of the gate are normally pulled low by the two resistors. When you push a button, the input becomes HIGH.
Push any of the pushbuttons to create a HIGH on either pin and see what the OR gate outputs. A lit LED represents a HIGH output, and an unlit LED represents a LOW output.

To build this you’ll need:
- Two pushbuttons
- A Red LED
- Three 10 kΩ resistors
- A chip with OR gates such as the CD4071BE
Connect the circuit as shown using any of the four gates available. For instance, pins 1 and 2 are the inputs to the OR gate with its output at pin 3.
But remember that you also need to connect the VDD and GND pins to your power supply in order for the OR gates to work – even though this is not shown in the circuit diagram.
Alternatives and Equivalents for 4071
You likely find the 4071 IC marked as CD4071, NTE4071, MC14071, HCF4071, TC4071, or HEF4071. Usually with a few extra characters at the end (Ex: CD4071BE).
This has to do with the manufacturer of the chip and the technology used. But the functionality and the pins are the same.
If they don’t have the 4071 in your local electronics store, check out my list of online stores where you can find components and tools for all your electronics projects.
…or try the following IC alternative with 2-input OR gates:
- 74HC32: Quad 2-input OR gate
4071 Datasheet
Download the PDF datasheet for the IC 4071 here:
CD4071B (Texas Instruments)
HEF4071B (Nexperia)
Go back to the full overview of the 4000-series integrated circuits
10 Simple Steps to Learn Electronics
Electronics is easy when you know what to focus on and what to ignore. Learn what "the basics" really is and how to learn it fast.
